



方形USB摄像头模组
代表型号:GH-25PK-B0
概述
GH-25PK-B0模组采用1/2.9英寸感光格式,30fps帧率,有效像素为1936(H)*1096(V),在人脸识别领域有广泛的应用。以USB作为接口,支持手机、电脑等系统,携带数字麦克风,具有自动白平衡和智能背光补偿功能。
模组参数
项目/Item | 规格/Specification |
外形尺寸/Outline Dimension | 28mm*28mm*15.2mm |
有效像素:Effective Image Pixel: | 1936(H)*1096(V) |
感光格式/Optical Format | 1/2.9inch |
像素大小/Pixel Size | 2.8µm*2.8µm |
工作温度范围:Working Temperature Range: | 温度/Temperature:-20 ~70℃ |
贮存温度范围:Storage Temperature Range: | 温度/Temperature:-30 ~ 80℃ |
电源电压/Power Voltage: | DC 5V |
消耗电流:Current Consumption: | 常态 Normal≤170mA |
帧率/Frame Rate: | 30fps |
白平衡/White Banlance: | 自动/Auto |
曝光/Exposure: | 智能背光补偿/ABLC |
图像输出格式:Image Output Format: | 1080P |
支持系统/Support System: | Vista/Win7/Win8/Linux/Android等 |
免驱协议/UVC: | USB Video Class(UVC1.0) |
接口类型/Interface Type: | USB2.0 High Speed |
数字麦克风:Digital Microphone: | 携带 |
图像编码格式Image Encoding Format: | MJPG |
H264 | |
YUY2 |
镜头规格
NO. | 项目/Item | 规格/Specification | |
1 | 镜头尺寸/Lens Size | 1/2.9" | |
2 | 镜头结构/Lens Construction | 1P4G+IR 滤光片(650nm) | |
3 | 焦距/Focal Length | 2/95±5%mm | |
4 | 光圈/F.NO | F2.5±3.84 | |
5 | 对焦距离/Focus Distance | 0.6m | |
6 | 解像力/Image Quality | Center=1080P | |
7 | 畸变/TV Distortion | <-0.9% | |
8 | 中心点偏移/The Center Offset | ≤10% | |
9 | 像场角/Field of View Angle | 分辨率 | 1920*1080 |
水平/Horizontal | 85°±10% | ||
垂直/Vertical | 55°±10% | ||
对角/Diagonal | 95°±10% | ||
产品展示
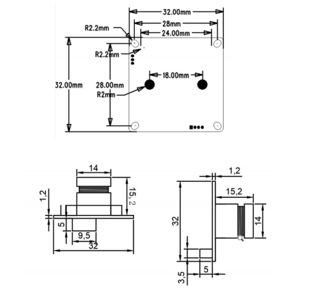
安装尺寸
光谱特性图

模组保存方法
1.摄像头模组要避免长时间存放在高温、潮湿、尘土等环境中
2.摄像头模组要放置在干燥、通风、避光的地方
3.避免震动和碰撞,以免影响模组内部的精密部件。避免触摸镜头和传感器,留下指纹和污渍
4.如果长时间不使用,最好是将摄像头模组放入原包装盒中,并存放在干燥、通风、避光的地方
5.定期清洁摄像头模组的镜头和传感器,保持图像质量和性能稳定
摄像头应用
智能门锁产品
楼宇对讲产品
人脸识别产品
门禁识别产品
Copyright © 2002-2022 长龙鑫 版权所有 Powered by EyouCms 地址:广东省深圳市宝安区新安街道创业二路 新一代信息技术产业园C座623号 备案号:粤ICP备17052896号 网站地图